




欧宝网页版页面登录
联系人:王总
电话:0510-86184255
传真:0510-86173899
E-mail:jyjirui88@163.com
网址:www.lywz1688.com
地址:江阴南闸东盟科技园东盟路8号









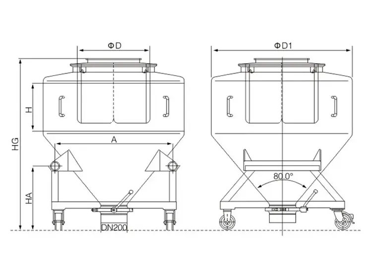
用途
ZLT系列混合周转料桶是我公司在吸收西欧国家先进制药生产工艺的基础上开发研制而成,适用于制药企业密闭型生产工艺物料的转运。该料桶符合制药业“GMP”,药品储存密闭、安全、不受潮,而且使用方便、造型美观。特点
• 该料桶全部采用304不锈钢精制。技术参数

移动式周转料桶主要技术参数

移动式混合料桶主要技术参数


联系人:王总 13921225300
电话:0510-86184255、0510-86171608
传真:0510-86173899
售后:陈经理 13376229167
邮箱:jyjirui88@163.com
网址:www.lywz1688.com
地址:江阴市南闸镇东盟科技园东盟路8号
邮编:214405