您现在所在的位置: 首页 > 产品展示 > 干燥系列 > YZG/FZG真空干燥机

 欧宝网页版页面登录
   联系人:王总
   电话:0510-86184255
   传真:0510-86173899
   E-mail:jyjirui88@163.com
   网址:www.lywz1688.com
   地址:江阴南闸东盟科技园东盟路8号
 
YZG/FZG真空干燥机
YZG/FZG真空干燥机

 

 

应用

适用于在高温下易分解,聚合和变质的热敏性物料的低温干燥;被广泛地采用在制药、化工、食品、电子等行业。

原理

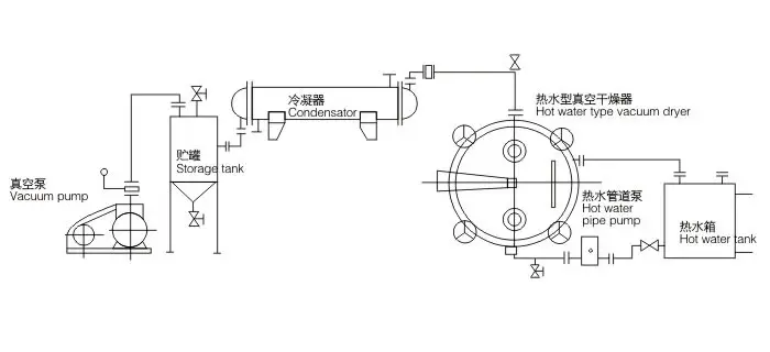
所谓真空干燥,就是将干燥物料处在真空条件下,进行加热干燥,如果利用真空泵进行抽气抽湿,则加快了干燥速率。
注:如采用冷凝器,物料中的溶剂可通过冷凝器加以回收;如采用SK系列水环真空泵,可不用冷凝器,节省能源投资。

技术特点

• 真空下物料溶液的沸点降低,使蒸发器的传热推动力增大,因此对一定的传热量可以节省蒸发器的传热面积。
• 蒸发操作的热源可采用低压蒸汽或废热蒸汽。
• 蒸发器热损失少。
• 在干燥前可进行消毒处理,干燥过程中无任何不纯物混入,符合GMP要求。
• 属于静态真空干燥器,故干燥物料的形体不会损坏。

典型用户

• 先声药业集团
• 哈药集团制药总厂
• 东北制药总厂
• 吉林修正药业有限公司
• 石药集团
• 吉林敖东药业
• 北京双鹤现代医药有限公司

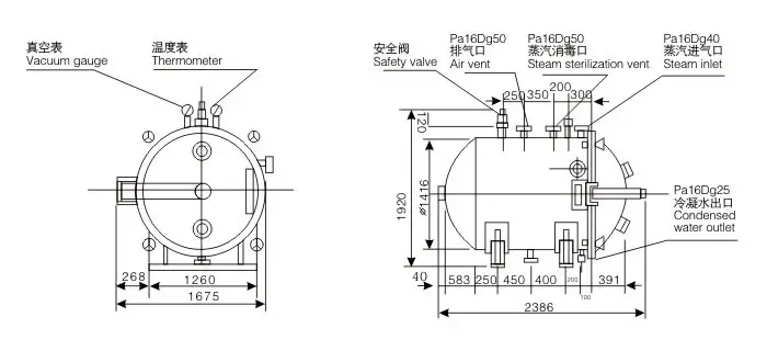
YZG-1400 圆形真空干燥器

 


FZG-15 方形真空干燥器

 


热水加热,溶剂回收真空干燥系统图

 


蒸汽加热,溶剂不回收真空干燥系统图

 


技术参数


本公司可按用户要求定制生产,如有变动,恕不另行通知!