您现在所在的位置: 首页 > 产品展示 > 周转系列 > ZLT混合周转料桶

 欧宝网页版页面登录
   联系人:王总
   电话:0510-86184255
   传真:0510-86173899
   E-mail:jyjirui88@163.com
   网址:www.lywz1688.com
   地址:江阴南闸东盟科技园东盟路8号
 
ZLT混合周转料桶
ZLT混合周转料桶

 
 
 

用途

ZLT系列混合周转料桶是我公司在吸收西欧国家先进制药生产工艺的基础上开发研制而成,适用于制药企业密闭型生产工艺物料的转运。该料桶符合制药业“GMP”,药品储存密闭、安全、不受潮,而且使用方便、造型美观。

特点

• 该料桶全部采用304不锈钢精制。
• 该料桶为方锥形,外壁采用亚光处理和抛光相结合,造型美观。
• 该料桶上盖和下锥体采用专用模具压制而成,弯折处均为圆弧过渡,无死角。
• 该料桶内壁抛光精度达到表面粗糙度Ra0.2um。
• 该料桶所有焊接点的材料均进行坡口倒角处理,采用氩弧双面焊接工艺,所有焊缝均进行磨平处理。焊接质量符合JB4708和JB4709条款的规定。
• 该料桶进料口采用拉伸工艺制造,上盖由专用模具;中压成型,嵌有硅橡胶“O”型密封圈。
• 该料桶配置带保险装置的不锈钢蝶阀,密封性强,不渗水,操作灵活,安全可靠。
• 该料桶具有足够强度,其壁厚符合装载量的要求,不会产生变形现象。

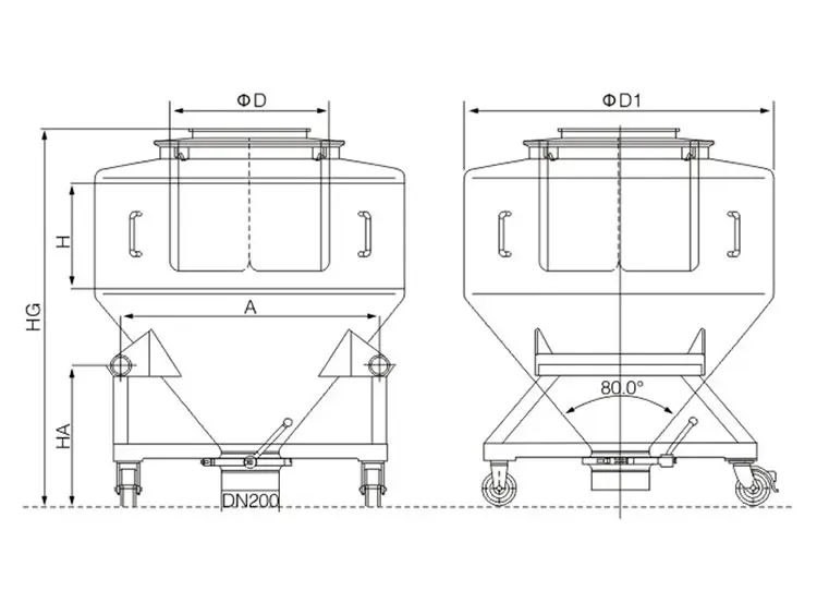
技术参数


本公司可按用户特殊要求定制生产,如有变动,恕不预先通知!

 
 
 

移动式周转料桶主要技术参数


移动式混合料桶主要技术参数


本公司可按用户特殊要求定制生产,如有变动,恕不预先通知!